Superb craftsmanship

精湛工艺,品质之选

品质与安全并重,创新与发展同行

Equal Emphasis On Quality And Safety, Innovation And Development

  • 电动对夹式软密封蝶阀(LQ型)
  • 电动对夹式软密封蝶阀(LQ型)

电动对夹式软密封蝶阀(LQ型)

获取报价
咨询客服

产品详情

流体掌控间,万佳德展非凡

  • 产品特点
  • 结构型式
  • 主要性能指标
  • 产品特点

    电动对夹式蝶阀采用一体化结构,与LQ电动执行机构相配,输入(4-20mADC,0-10VDC或 1-5VDC)信号或单相电源即可运转,具有功能强、体积小、轻便宜人、性能可靠、配套简单、流通能力大等特点。该阀门广泛应用于食品、环保、轻工、石油、造纸、化工、教学和科研设备、电力等行业的工业自动化控制系统中。

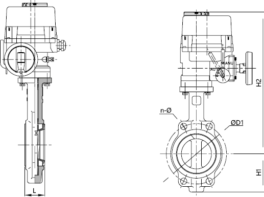
  • 结构型式

    20210721030852694.jpg

  • 主要性能指标

    技术参数

    • 公称通径:DN50-DN800

    • 公称压力:PN1.0,1.6MPa

    • 适用温度:-20℃~150℃

    • 适用介质:淡水,海水,食品,天然气,醇类,盐类,酸,碱,油,蒸汽,空气等


    规格配置ΦD1LH2H1n-Φ
    mmin1.0MPa1.6MPa1.0MPa1.6MPa
    DN502"LQ1-612543363764-Φ18
    DN652 1/2"14546386894-Φ18
    DN803"16046382944-Φ184-Φ18
    DN1004"LQ1-10180524241148-Φ18
    DN1255"210564571278-Φ18
    DN1506"LQ2-20240564931408-Φ23
    DN2008"LQ2-24295605281768-Φ2312-Φ23
    DN25010"LQ3-503501556861820712-Φ2312-Φ25
    DN30012"LQ4-1104004107871424012-Φ2312-Φ25
    DN35014"4604707874527316-Φ2316-Φ25
    DN40016"LQ4JS-20051552510287732216-Φ2616-Φ30
    DN45018"LQ4JS-25056558511489934020-Φ2520-Φ30
    DN50020"62065012795738020-Φ2820-Φ30
    DN60024"LQ4JS-400725770154120146720-Φ3120-Φ37


相关产品

品质阀门,守护流体安全每一刻