Superb craftsmanship

精湛工艺,品质之选

品质与安全并重,创新与发展同行

Equal Emphasis On Quality And Safety, Innovation And Development

  • 高性能双偏心蝶阀
  • 高性能双偏心蝶阀

高性能双偏心蝶阀

ANSI/FCI 70-2规定了控制阀的泄露等级和试验程序。其中VI级为最低泄露等级。高性能对夹式蝶阀能达到MSS-SP61规定的无气泡密封,要高于VI级。

获取报价
咨询客服

产品详情

流体掌控间,万佳德展非凡

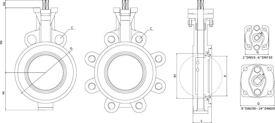
  • 结构型式
  • 主要性能指标
  • 结构型式

    JIS10KGBPN16ANSI150LB

    阀门规格近似尺寸Approximatesize(毫米mm)
    size
    NPSDNH1H2H3LDD1EPMC
    10KPN16150LB
    2"5065138164396484011F07120125120.5
    2.5"65751481646119646011F07140145139.5
    3"80821681846132827611F07150160152.5
    4"1009218018521561029511F07175180190.5
    5"125115202215618612211514F07210210216
    6"150126225215621614814214F10240240241.5
    8"200165265256426819718917F10290295298.5
    10"250235315287132424323822F12355355362
    12"300258342327838129528227F12432410400
    14"350295375389241332531827F14455470476
    16"4003154106010247037236536F17510525540
    18"4503704426011453342141536F16565585578
    20"5003984587012758047045842F16620650635
    24"6004755588015468856955046F16730770749.5

     

  • 主要性能指标

    阀座密封

    ANSI/FCI 70-2规定了控制阀的泄露等级和试验程序。其中VI级为最低泄露等级。高性能对夹式蝶阀能达到MSS-SP61规定的无气泡密封,要高于VI级。


    驱动方式

    • 涡轮、气动、液动、电动等


相关产品

品质阀门,守护流体安全每一刻