Superb craftsmanship

精湛工艺,品质之选

品质与安全并重,创新与发展同行

Equal Emphasis On Quality And Safety, Innovation And Development

  • 电动对夹式硬密封蝶阀(LQ型)
  • 电动对夹式硬密封蝶阀(LQ型)

电动对夹式硬密封蝶阀(LQ型)

采用精密的U型弹性密封圈和三偏心多层次金属硬密封结构,被广泛用于介质温度≤425℃的冶金、电力、石油化工、以及给排水的市政建设等工业管道上,作调节流量和截断流体使用。该阀采用三偏心结构,阀座与蝶板密封面均采用铸钢和不锈钢制作,具有良好的耐腐蚀性,使用寿命长,本阀均有双向密封功能,产品符合国家GB/T13927-92阀门压力试验标准。


获取报价
咨询客服

产品详情

流体掌控间,万佳德展非凡

  • 产品特点
  • 结构型式
  • 主要性能指标
  • 产品特点

    • 该阀采用三偏心结构,阀座与阀板几乎无磨损,具有越关越紧的密封功能

    • 密封圈选用不锈钢制作,具有金属密封和弹性密封的双重优点,无论在低压和高温的情况下,均具有优良的密封性能,具有耐腐蚀,使用寿命长等特点

    • 蝶板密封面采用堆焊钴基硬质合金,密封面耐磨损,使用寿命长

    • 本阀具有双向密封功能,安装时不受介质流向的限制,也不受空间位置的影响,可在任何方向安装。驱动装置可以多工位(旋转90°或180°)安装,便于用户使用


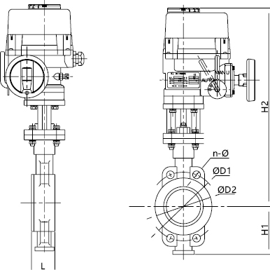
  • 结构型式

    20210721030732264.jpg

  • 主要性能指标


    规格Size配置ΦD1ΦD1H2H1Ln-Φ
    mmin1.0MPa1.6MPa1.0MPa1.6MPa1.0MPa1.6MPa
    502"LQ1-1012510244390434-Φ18
    652.5"145122487110464-Φ18
    803"LQ2-16160133523115464-Φ184-Φ18
    1004"LQ2-20180158533130528-Φ18
    1255"LQ2-24210185583150568-Φ18
    1506"LQ3-35240216671165568-Φ23
    2008"LQ3-50295270757210608-Φ2212-Φ22
    25010"LQ4-1103501553203208172456812-Φ2212-Φ26
    30012"LQ4JS-2004004103723729672807812-Φ2212-Φ26
    35014"LQ4JS-25046047042043010323157816-Φ2216-Φ26
    40016"LQ4JS-400515525480480120934510216-Φ2616-Φ30
    45018"565585535545127438011420-Φ2620-Φ30
    50020"LQ4JS-600620650585610129941512720-Φ2620-Φ33
    60024"725770685720131446015420-Φ3020-Φ36


相关产品

品质阀门,守护流体安全每一刻