Superb craftsmanship

精湛工艺,品质之选

品质与安全并重,创新与发展同行

Equal Emphasis On Quality And Safety, Innovation And Development

  • 电动三偏心硬密封蝶阀(ZY型)
  • 电动三偏心硬密封蝶阀(ZY型)

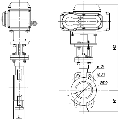
电动三偏心硬密封蝶阀(ZY型)

采用精密的U型弹性密封圈和三偏心多层次金属硬密封结构,被广泛用于介质温度≤425℃的冶金、电力、石油化工、以及给排水的市政建设的工业管道上,作调节流量和截断流体使用。该阀采用三偏心结构,阀座与蝶板密封面均采用铸钢和不锈钢制作,具有良好的耐腐蚀性,使用寿命长,本阀均有双向密封功能,产品符合国家GB/T13927-92阀门压力试验标准。

获取报价
咨询客服

产品详情

流体掌控间,万佳德展非凡

  • 产品特点
  • 结构型式
  • 主要性能指标
  • 产品特点

    • 该阀采用三偏心结构,阀座与阀板几乎无磨损,具有越关越紧的密封功能

    • 密封圈选用不锈钢制作,具有金属密封盒弹性密封的双重优点,无论在地压和高温的情况下,均具有优良的密封性能,具有耐腐蚀,使用寿命长

    • 蝶板密封封面采用堆焊钴基硬质合金,密封面耐磨损,使用寿命长

    • 本阀具有双向密封功能,安装时不受介质流向的限制,也不受空间位置的影响,可在任何方向安装。驱动装置可以在多工位(旋转90°或180°)安装,便于用户使用


  • 结构型式

  • 主要性能指标


    规格Size配置ΦD1ΦD2H2H1Ln-Φ
    mmin1.0MPa1.6MPa1.0MPa1.6MPa1.0MPa1.6MPa
    502"ZY-1012510232390434-18
    652.5"145122367110464-18
    803"ZY-20160133413115494-188-18
    1004"180158423130568-18
    1255"210185473150648-18
    1506"ZY-50240216511165708-22
    2008"295272597210718-2212-22
    25010ZY-1003503553203206272457612-2212-26
    30012ZY-2004004103723726772808312-2212-26
    350144604704204307423159216-2216-26
    40016ZY-40051552548048081934510216-2616-30
    4501856558553554588438011420-2620-30
    50020ZY-60062065058561090941512720-2620-33
    6002472577068572092446015420-3020-36


相关产品

品质阀门,守护流体安全每一刻