Product Details
Precision in Flow Control, Excellence from Zhongyuan
-
Product Features
-
Structural Configuration
-
Main Performance Parameters
-
Product Features
• 本阀采用三偏心结构,阀座与阀板几乎无磨损,具有越关越紧的密封功能
• 密封圈选用不锈钢制作,具有金属密封和弹性密封的双重优点,无论在低压和高温的情况下,均具有优良的密封性能,具有耐腐蚀,使用寿命长等特点
• 蝶板密封面采用堆焊钴基硬质合金,密封面耐磨损,使用寿命长
• 本阀具有双向密封功能,安装时不受介质流向的限制,也不受空间位置的影响,可在任何方向安装
-
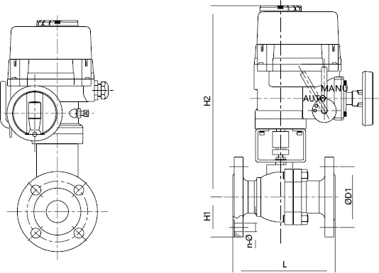
Structural Configuration

-
Main Performance Parameters
| 规格Size | 配置 | ΦD1 | ΦD1 | H2 | H1 | L | n-Φ |
| mm | in | 1.0MPa | 1.6MPa | 1.0MPa | 1.6MPa | 1.0MPa | 1.6MPa |
| 40 | 1 3/4" | LQ1-10 | 110 | 150 | 443 | 90 | 108 | 4-Φ18 |
| 50 | 2" | 125 | 165 | 443 | 90 | 108 | 4-Φ18 |
| 65 | 2.5" | 145 | 185 | 487 | 105 | 112 | 4-Φ18 |
| 80 | 3" | LQ2-16 | 160 | 200 | 523 | 120 | 114 | 4-Φ18 | 4-Φ18 |
| 100 | 4" | LQ2-20 | 180 | 220 | 533 | 130 | 12 | 8-Φ18 |
| 125 | 5" | LQ2-24 | 210 | 250 | 583 | 164 | 140 | 8-Φ18 |
| 150 | 6" | LQ3-35 | 240 | 285 | 671 | 175 | 140 | 8-Φ23 |
| 200 | 8" | LQ3-50 | 295 | 340 | 757 | 200 | 152 | 8-Φ22 | 12-Φ22 |
| 250 | 10" | LQ4-110 | 350 | 155 | 395 | 405 | 817 | 243 | 165 | 12-Φ22 | 12-Φ26 |
| 300 | 12" | LQ4JS-200 | 400 | 410 | 445 | 460 | 967 | 250 | 178 | 12-Φ22 | 12-Φ26 |
| 350 | 14" | LQ4JS-250 | 460 | 470 | 505 | 520 | 1032 | 280 | 190 | 16-Φ22 | 16-Φ26 |
| 400 | 16" | LQ4JS-400 | 515 | 525 | 565 | 580 | 1209 | 305 | 216 | 16-Φ26 | 16-Φ30 |
| 450 | 18" | 565 | 585 | 615 | 640 | 1274 | 350 | 222 | 20-Φ26 | 20-Φ30 |
| 500 | 20" | LQ4JS-600 | 620 | 650 | 670 | 715 | 1299 | 380 | 229 | 20-Φ26 | 20-Φ33 |
| 600 | 24" | 725 | 770 | 780 | 840 | 1314 | 445 | 267 | 20-Φ30 | 20-Φ36 |