Superb craftsmanship

精湛工艺,品质之选

品质与安全并重,创新与发展同行

Equal Emphasis On Quality And Safety, Innovation And Development

  • 无靠背蝶阀
  • 无靠背蝶阀

无靠背蝶阀

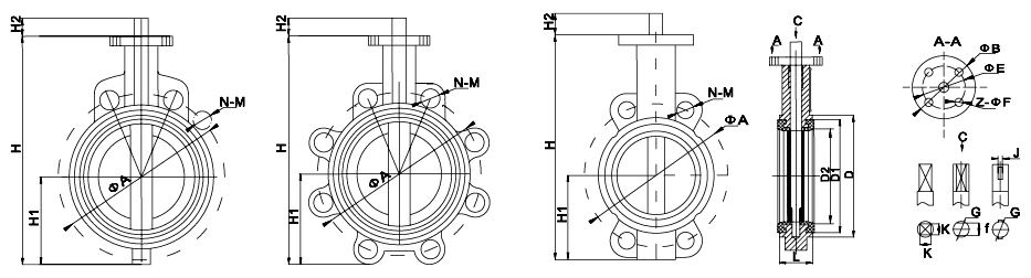
标准顶部法兰孔符合ISO5211标准,适用于装配手柄、蜗轮、电动头和气动头等驱动装置。

获取报价
咨询客服

产品详情

流体掌控间,万佳德展非凡

  • 产品特点
  • 结构型式
  • 主要性能指标
  • 产品特点

    标准顶部法兰孔符合ISO5211标准,适用于装配手柄、蜗轮、电动头和气动头等驱动装置。

  • 结构型式

  • 主要性能指标


    通径

           mm
    L国标(10/16)美标(150LBS)日标(5K/10K)ФBHH1G*f/kJH2ФE#Z-ФФDФD1ФD2
    ФAN-MФAN-MФAN-M
    2533854-1279.54-1475/904-10/1255/65140469.5*7/11/15/2745/504-5.2/7.5695934
    32331004-1688.94-1490/1004-12/1655/65140469.5*7/11/15/2745/504-5.2/7.5695934
    40331104-1698.54-1495/1054-12/1655/65147539.5*7/11/15/2745/504-5.2/7.5806844
    50421254-16120.74-16105/1204-12/1665/901955514*10/111-315/2750/704-7.5/10958255
    65441454-16139.74-16130/1404-12/1665/902176414*10/111-315/2750/704-7.5/101149769
    80441608-16152.44-16145/1504/8-1665/902327314*10/111-315/2750/704-7.5/1012611381
    100501808-16190.58-16165/1758-16902708816*11/111-520/27704-10154139108
    125562108-16215.98-20200/2108-16/209029210219*13/111-520/27704-10180163135
    150562408-20241.38-20230/2408-16/209031811519*13/111-520/27704-10206195154
    200602958-20/12-20295.58-20280/2908/12-20120/15039014922*16/171-525/401024-12264250205
    25068350/35512-20/12-2436212-24345/35512-20/22120/15045718430*22/221-830/451024-12320305255
    30078400/41012-20/12-24431.812-24390/40012-20/16-2215051020730*22/221-830/50102/1254-12/14370352302
    35078460/47016-20/16-24476.312-27435/44512/16-2215064024735/271-835/55102/1254-12/14430405345
    400102515/52516-24/16-27539.816-27495/51016-22/24150/20065027540/271-1035/64125/1404-14/18480455395
    450114565/58520-24/20-27577.916-30555/56516-22/20-2421071330750/361-1250/80140/1654-18/22550515450
    500127620/65020-24/20-3063520-30605/62020-22/2421076833050/361-1250/801654-22590565500
    600151725/77020-27/20-33748.320-33715/73020-24/24-3021091940060/462-1650/801654-22695674585
    70016384024-27/24-33863.628-33820/84024-24/30300114452060/462-1855/822548-18787760705
    80019095024-30/24-36977.928-39830/85024/28-30300126359160/462-2055/822548-18905878810
    900203105028-30/28-361085.832-391030/105024/28-30300137665675/552-2255/1182548-18970955885


相关产品

品质阀门,守护流体安全每一刻