SAFE,Surpassing Quality!

安全,超越品质!

以国际 IEC60534 中的

V级泄漏等级为我们的出厂要求

  • 电动法兰球阀(LQ型)
  • 电动法兰球阀(LQ型)

电动法兰球阀(LQ型)

电动法兰球悯是一种转角90° 旋转类球阀,密封性能优良,流通能力大,流阻系数小,结构简单,维修方便,使用寿命长,阀体通道和连接管径相等并成一直径,介质几乎可以毫无损失的流过,配用LQ执行机构,产品通常用千密封要求严格的场合,除控制气体、液体、蒸汽介质外,还适宜控制含有纤维杂质的介质, 广泛用于石油、化工、冶金、轻工、造纸、电站、制冷等工作领域。

获取报价
咨询客服

产品详情

流体掌控间,万佳德展非凡

  • 产品特点
  • 结构型式
  • 主要性能指标
  • 产品特点

    • 流体阻力小,球阀是所有阀类中流体阻力最小的一种,即使是缩径球阀,其流体阻力也相当小

    • 止推轴轴承减小阀杆摩擦力矩,可使阀杆长期操作平衡灵活

    • 阀座密封性能好,采用聚四氟乙烯等材料制成的密封圈,结构易干密封,而且球阀的密封能力随着介质压力的增大而增大

    • 阀杆密封可靠,由于阀杆只作旋转运动而不做升降运动,阀杆的填料密封不易破坏,且密封能力随介质的压力增设而增大

    • 由于聚四氟乙烯等材料具有良好的自润滑性,与球体的摩擦损失小,球阀的使用寿命更长


  • 结构型式

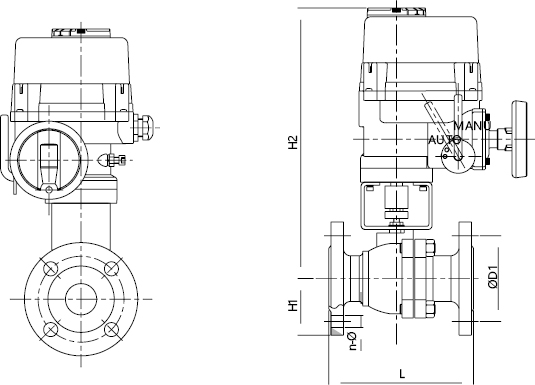
    20210721044531559.jpg

  • 主要性能指标


    规格Size配置D1H2H1Ln-Φ
    mmin1.6MPa1.6MPa
    151/2"LQ1-665297481304-Φ14
    203/4"7530353140
    251"8533157150
    321 1/4"100351671604-Φ18
    401 1/2"11039677180
    502"LQ1-1012544380200
    652 1/2"LQ2-2014550590220
    803"LQ2-24160527982508-Φ18
    1004"LQ3-50180583107280
    1255"LQ3-50210708122320
    1506"LQ4-1102406911403608-Φ23
    2008"LQ4JS-20029585017740012-Φ23
    25010"LQ4JS-25035586621245012-Φ25


相关产品

品质阀门,守护流体安全每一刻