SAFE,Surpassing Quality!

安全,超越品质!

以国际 IEC60534 中的

V级泄漏等级为我们的出厂要求

  • 高平台超薄型球阀(ZY型)
  • 高平台超薄型球阀(ZY型)

高平台超薄型球阀(ZY型)

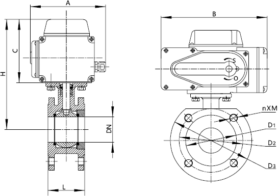
超薄型球阀,具有结构长度短、重量轻、安装方便、节省材料等显著的优点。对夹保温夹套球阀保温效果好。此外,阀座采用弹性密封结构,密封可靠,启闭轻松。设有耐火结构,万一发生火灾时,仍然能够可靠操作并具有良好的密封性。根据用户需要,可设有防静电结构。设置了90° 开关带孔定位片,根据需要可以加锁,防止误操作。

获取报价
咨询客服

产品详情

流体掌控间,万佳德展非凡

  • 结构型式
  • 主要性能指标
  • 结构型式

    20210721043053291.jpg

  • 主要性能指标

    用 途
    对夹球阀及对夹保温夹套球阀适用于Class150、PN1.0-2.5MPa,工作温度29-180℃(密封圈为增强聚四氟乙烯)或29-300℃(密封圈为对位聚苯)的各种管路上,用于截断或接通管路中的介质,选用不同的材质,可分别适用干水、蒸汽、油品、硝酸、醋酸、氧化性介质、尿素等多种介质。

    数 据

    规格配置执行器公称压力ABCHLD1D2D3n×M
    DN20ZY-051.6MPa1371601031623855751054×M12
    DN25ZY-051371601031674266851154×M12
    DN32ZY-0513716010318050781001354×M16
    DN40ZY-1014520812418762851101454×M16
    DN50ZY-10145208124216721001251604×M16
    DN65ZY-20170258148248951201451804×M16
    DN80ZY-201702581482671181351601958×M16
    DN100ZY-501702581482801401551802158×M16
    DN125ZY-501482581483051951852102458×M16
    ZY-1001842801593161951852102458×M16
    DN150ZY-1001842801593752252102102808×M20


相关产品

品质阀门,守护流体安全每一刻