SAFE,Surpassing Quality!

安全,超越品质!

以国际 IEC60534 中的

V级泄漏等级为我们的出厂要求

  • 电动法兰球阀(ZY型)
  • 电动法兰球阀(ZY型)

电动法兰球阀(ZY型)

电动球阀是一种转角90° 旋转类球阀,密封性能优良,流通能力大,流阻系数小,结构简单,维修方便,使用寿命长,阀体通道和连接管径相等并成一直径,介质几乎可以毫无损失的流过,配用ZY执行机构,产品通常用于密封要求严格的场合,除控制气体,液体,蒸汽介质外,还适宜控制水含有纤维杂质的介质,广泛用于石油、化工、冶金、轻工、造纸、电站、制冷等工作领域。

获取报价
咨询客服

产品详情

流体掌控间,万佳德展非凡

  • 产品特点
  • 结构型式
  • 主要性能指标
  • 产品特点

    • 流体阻力小,球阀是所有阀类中流体阻力最小的一种,即使是缩径球阀,其流体阻力也相当小

    • 止推轴轴承减小阀杆磨擦力矩,可使阀杆长期操作平衡灵活

    • 阀座密封性能好,采用聚四氟乙烯等材料制成的密封圈,结构易干密封,而且球阀的密封能力随着介质压力的增大而增大

    • 阀杆密封可靠,由于阀杆只作旋转运动而不做升降运动,阀杆的填料密封不易破坏,且密封能力随介质的压力增设而增大

    • 由于聚四氟乙烯等材料具有良好的自润滑性,与球体的摩擦损失小,球阀的使用寿命更长


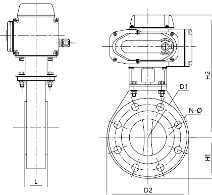
  • 结构型式

    20210721044143338.jpg

  • 主要性能指标


    规格配置执行器公称压力ABCHLD1D2D3n×Φ
    DN15ZY-051.6MPa1371601032031309565454×14
    DN20ZY-0513716010320914010575554×14
    DN25ZY-0513716010322315011585654×14
    DN32ZY-05137160103243160135100784×18
    DN40ZY-1014520812426180145110854×18
    DN50ZY-101452081242892001601251004×18
    DN65ZY-201702581483322201801451204×18
    DN80ZY-201702581483562501951601358×18
    DN100ZY-501702581483932802151801558×18
    DN125ZY-1001842801594673202452101858×18
    DN150ZY-1001842801595113602802402108×23
    DN200ZY-30018428015960940035529526512×23


相关产品

品质阀门,守护流体安全每一刻