SAFE,Surpassing Quality!

安全,超越品质!

以国际 IEC60534 中的

V级泄漏等级为我们的出厂要求

  • 电动法兰式V型球阀(LQ型)
  • 电动法兰式V型球阀(LQ型)

电动法兰式V型球阀(LQ型)

电动V型球阀,配用LQ系列执行机构,无需另配伺服放大器,输入(4-20mADC,0-10VDC或1-5VDC)信号及单相电源即可运转,实现对压力,流量,温度,液位等参数的调节。阀芯上开有V型切口,与硬密封阀座相对转动产生剪切力,可将纤维切断,防止卡死,具有流通能力,调节精度高,密封性好,重量轻等特点。适用于除小口径,角型,三角连接外的大部分场合,是替代进出口产品的最佳产品,特别适用于泥浆和含有纤维性介质,以及含有微小固体悬浮物介质的调节,广泛用于造纸业,制糖,石油,化工,冶金等工业自动化控制系统中。

获取报价
咨询客服

产品详情

流体掌控间,万佳德展非凡

  • 产品特点
  • 结构型式
  • 主要性能指标
  • 产品特点

    • 结构紧凑,体积小,可竖卧安装等特点

    • 具有出色的调节特性:V型球阀具有一个近似等百分比的固有流量特性及高达300:1的可调性。因此V型阀可以在广幅的变化范国内提供精确的控制

    • 最大流动容积:由于它在流线型外形以及满直角回转控制缘故,使容积的最大值特别高,流通阻力小,因此可以使用较小的更加经济实用的阀门尺寸

    • V型球阀采用双轴承结构,机械稳定性能高,启动扭矩力小,保证了阀门具有极好的灵敏性和感应速度

    • 金属阀座的优越密封性:V型球阀采片可动金属阀座。自助补偿功能,并具有优越密封性能及超长的使用寿命


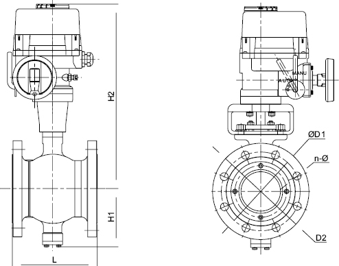
  • 结构型式

    20210721044017103.jpg

  • 主要性能指标


    规格Size配置D2D1H2H1Ln-Φ
    mmin1.6MPa1.6MPa1.6MPa
    251"LQ1-611585514811024-Φ14
    321 1/4"140110522861024-Φ18
    401 1/2"LQ1-1015011055190114
    501"16512556693124
    652.5"LQ2-20185145628108145
    803"LQ3-352001606941231658-Φ18
    1004"LQ3-50220180719138194
    1255"LQ4-80250210792148194
    1506"LQ4-1102852408631702298-Φ23
    2008"LQ4JS-220340295102420024312-Φ23
    25010"LQ4JS-250405355112624029712-Φ25


相关产品

品质阀门,守护流体安全每一刻