SAFE,Surpassing Quality!

安全,超越品质!

以国际 IEC60534 中的

V级泄漏等级为我们的出厂要求

  • 方型工业法兰球阀
  • 方型工业法兰球阀

方型工业法兰球阀

三通球阀主要用于截断或接通介质的前提下实现流道切换功能,方型三通球阀的主要特点是加宽了阀体密封圈与球体的接触面,规避标准三通球阀阀体密封圈较小接触面,加之标准三球阀没有定位设计,当阀门开启或关闭球体与密封面错位,使之关不到位产生内漏等现像,选型三通球阀如不是考虑成本问题,方型三通球阀在三通工艺管道中是最佳球阀之一。

获取报价
咨询客服

产品详情

流体掌控间,万佳德展非凡

  • 产品特点
  • 应用标准
  • 结构型式
  • 主要性能指标
  • 产品特点

    • 阀体采用铸造、锻压等生产工艺,连接方式有法兰、焊接、快装、螺纹等连接方式

    • 球芯只需绕阀门轴转90°即可完成全开或全关,动作简单迅速

    • 密封圈采用独特的弹性唇缘密封技术,保证了零泄漏的切断要求,特有的自动补偿功能使阀门具有更长的使用寿命

    • 密封圈材料有聚四氟乙烯、增强型PTFE及硬密封等各种结构,适用于各种工况

    • 球芯表面硬化处理后,经磨削、抛光,平滑耐磨

    • 球芯等径直通式流道与管道内径基本相同,流阻小

    • 内装式阀杆具有更好的安全性和刚性

    • 由于球芯与密封圈在开关过程中有剪切作用,故特别适用于如纸浆、污水与其他带颗粒的浆料类流体

    • 可按用户要求加装防静电装置


  • 应用标准

    • 设计、制造标准:GB/T 12237-2007
    • 法兰标准
    国标GB/T、机械部JB/T、化工部HG/T、美标API、ANSI、德标DIN、日标JIS、JPI、英标BS
    • 结构长度标准
    GB/T 12221-2005
    • 试验与检验标准
    GB/T 13927-2008
    • 驱动方式
    手动、可配驱动(气动、电动 )
    • 公称通径
    DN15~DN100  ISO19.05 ~ 101.6
    • 公称压力
    1.0MPa,1.6MPa
    • 适用温度
    国产PTFE  -10~100℃、进口PTFE  -10~150℃
    • 适用介质
    气体、水、油
    • 可配驱动
    手动、电动、气动、液动
    • 连接标准
    机械部标准 JB/T 86-2015 工业法兰
    • 阀体材质
    CF8(304)、CF3(304L)、CF8M(316)、CF3M(316L)

  • 结构型式

    20210718012827463.jpg

  • 主要性能指标

    主要零件材料

    阀体WCBZG1Cr18Ni9TiCF8CF3ZG1Cr18Ni12Mo2TiCF8MCF3M
    球体 阀杆1Cr131Cr18Ni9Ti304304L1Cr18Ni12Mo2Ti316316L
    阀座聚四氟乙烯PTFE加坡纤增强聚四氟乙烯PTFE+Glass 对位聚笨PPL
    垫片聚四氟乙烯PTFE不锈钢/柔性石墨
    阀杆座聚四氟乙烯PTFE不锈钢/柔性石墨
    填料聚四氟乙烯PTFE增强柔性石墨
    填料压盖WCB1Cr18Ni9Ti304304L1Cr18Ni12Mo2Ti316316L
    温度国产PTFE -10~100℃

           进口PTFE -10~100℃
    介质水、蒸汽、油品硝酸类强氧化介质醋酸类尿素类

     
    数据
    一系列DIN / A series of DIN


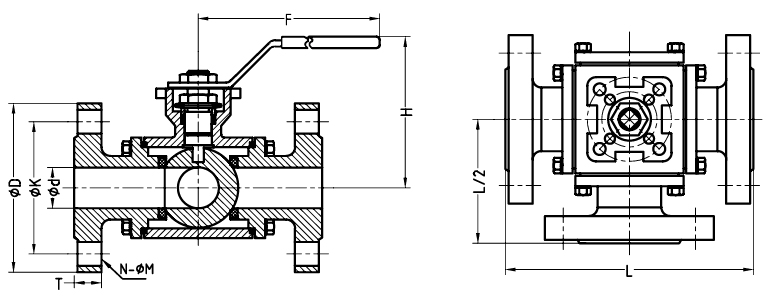
    规格dLKDTN-MHF
    DN15151586595164-1489186.5
    DN202016975105184-1498218
    DN252518585115184-14102218
    DN3232195100140184-18108.5235
    DN4040232110150184-18127235
    DN5050253125165204-18139252
    DN6565270145185184-18165.7252
    DN8080292160200204-18170252
    DN100100330180220228-18190320


相关产品

品质阀门,守护流体安全每一刻