SAFE,Surpassing Quality!

安全,超越品质!

以国际 IEC60534 中的

V级泄漏等级为我们的出厂要求

  • 三通法兰球阀
  • 三通法兰球阀

三通法兰球阀

• 三通法兰球阀主要用于截断或接通介质的前提下实现流道切换功能

获取报价
咨询客服
PDF下载

产品详情

流体掌控间,万佳德展非凡

  • 产品特点
  • 应用标准
  • 结构型式
  • 主要性能指标
  • 产品特点

    • 流体阻力小,球阀是所有阀类中流体阻力最小的一种,即使是缩径球阀,其流体阻力也相当小

    • 开关迅速、方便,只要阀杆转动90°,球阀就完成了全开或全关动作,很容易实现快速启闭

    • 密封性能好。球阀阀座密封圈一般采用聚四氟乙烯等弹性材料制造,易于保证密封

    • 阀杆密封可靠。球阀启闭时阀杆只作旋转运动,因此阀杆的填料密封不易被破坏

    • 球阀的启闭只做90°转动,故容易实现自动化控制和远距离控制,可配气动执行器,电动执行器


  • 应用标准

    标准规范

    • 设计、制造标准:GB/T 12237-2007

    • 法兰标准:国标GB/T、机械部JB/T、化工部HG/T、美标API、ANSI、德标DIN、日标JIS、JPI、英标BS

    • 结构长度标准:GB/T 12221-2005

    • 试验与检验标准:GB/T 13927-2008

    • 驱动方式:气动驱动

    • 公称通径:DN15~DN300

    • 公称压力:1.6MPa,2.5MPa,4.0MPa 

    • 适用温度:国产PTFE  -10~100℃、进口PTFE  -10~150℃、密封材质可选硬质合金密封(可配球体渗氮工艺,温度可耐350℃,配球体 镀硬铬Ni60工艺,温度可耐500℃)

    • 适用介质:气体、水、油

    • 可配驱动:手动、电动、气动、液动

    • 生产标准:GB/T 12237-2007

    • 阀体材质:铸钢、CF8(304)、CF3(304L)、CF8M(316)、CF3M(316L)

     


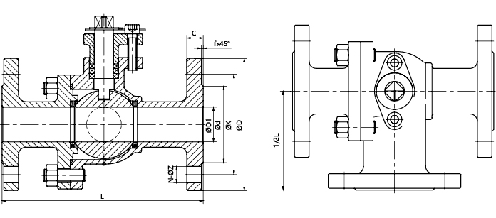
  • 结构型式

    20210718010208559.jpg

  • 主要性能指标

    主要零件材料

    阀体WCBZG1Cr18Ni9TiCF8CF3ZG1Cr18Ni12Mo2TiCF8MCF3M
    球体 阀杆1Cr131Cr18Ni9Ti304304L1Cr18Ni12Mo2Ti316316L
    阀座聚四氟乙烯PTFE加坡纤增强聚四氟乙烯PTFE+Glass 对位聚笨PPL
    垫片聚四氟乙烯PTFE不锈钢/柔性石墨
    阀杆座聚四氟乙烯PTFE不锈钢/柔性石墨
    填料聚四氟乙烯PTFE增强柔性石墨
    填料压盖WCB1Cr18Ni9Ti304304L1Cr18Ni12Mo2Ti316316L
    温度国产PTFE -10~100℃

           进口PTFE -10~100℃
    介质水、蒸汽、油品硝酸类强氧化介质醋酸类尿素类



    DND1dKDfCN-ΦZL
    15154565952144-Φ14150
    202055751052144-Φ14160
    252565851152144-Φ14180
    3232781001352164-Φ18200
    4040851101452164-Φ18220
    50501001251602164-Φ18240
    65651201451802184-Φ18260
    80801351601952208-Φ18280
    1001001551802152208-Φ18320
    1251251852102452228-Φ18380
    1501502102402802248-Φ22440
    20020026529533522612-Φ22550
    25025032035540522612-Φ26670
    30030037541046022812-Φ26720



相关产品

品质阀门,守护流体安全每一刻