Specially designed for steam and industrial fluids

专为蒸汽及工业流体设计

提供灵活的控制阀解决方案!

精准控制,尽在掌握 !

  • YH200MX 气动先导笼式调节阀
  • YH200MX 气动先导笼式调节阀

YH200MX 气动先导笼式调节阀

·结构紧凑,通道呈S型,压降损失小

·可调范围广,流量特性精度高

·动态稳定性好,噪音低,防空化气蚀

·阀芯导向面积大,抗震性好

·产品符合GB/T4213-2008 标准

·适用于控制各种高温、低温的流体


获取报价
咨询客服

产品详情

流体掌控间,万佳德展非凡

  • 产品特点
  • 应用标准
  • 选择阀体部件
  • 结构型式
  • 主要性能指标
  • 产品特点

    阀体流道呈S型,设有导流翼,使其压降损失小,流量大,可调范围广, 流量特性精度高

    在普通笼式调节阀基础上新增了先导阀芯来实现小开度调节,使得 阀门整体调节能力得到提高

    密封效果好,切断能力强,对操作要求低,可作放空切断阀使用

    容量大、动态稳定性优良、适合荷刻工况条件

    配用多弹簧薄膜执行机构或气缸执行机构,其结构紧凑、输出力大


  • 应用标准


    中国标准
    Chinese Standard
    美国标准
    American Standard
    质量保证
    Quality assurance
    ISO9001
    TS2710J59
    ISO9001
    设计制造
    design and manufacture
    GB12224-2005ASME B16.34
    法兰标准
    flange standard
    GB9113,GB9124.1
    HG20592-2009
    ASME B16.5
    结构长度
    length of structure
    GB/T17213.3ASME B16.10
    ISA S75.03
    检验和试验标准
    inspection and test standard
     
    GB/T4213-2008
    ANSI FC170-2
    IEC60534-2-1


  • 选择阀体部件


    公称通径DN
    mm40506580100125150
    inch1.522.53456
     
    公称通径DN
    mm200250300350400450500
    inch8101214161820
    公称压力
    PN
    PN16、25、40、64、100、150、260、320、420
    ANSICL150、CL300、CL600、900、1500、2500
    连接形式
    Connect-
    法兰式Flanged:RF、RJ、TG、MFM
    焊接式Welding:SW(40-50); SW(50-600)
    形式
    type
    直通铸造球型阀,压力平衡阀芯
    Through-type casting ball valve,Pressure Balanced Plug
    压盖形式
    Gland
    螺栓压紧式bolt clamp
     
    *上阀盖
    温度范围
    Bonnet temp-
    标准型-17~+230℃
    高温散热型(G)-45~-17℃,+230~+566℃
    伸长型(D)-196~-45℃
    波纹管密封型(W)-45~+350℃
    填料
    Packing
    聚四氟乙烯V形填料聚四氟乙烯碳纤维柔性石墨
    Teflon V-ring, Teflon fiber,, Grafoil
    垫圈
    Gasket
    金属缠绕石墨垫、金属锯齿型(316)
    matel wound graphite Gasket、Grooved metal gasket
    表面
    涂层
    Painting color
    浅咖啡色(环氧树脂),阀体阀盖材质为不锈钢时,均不加涂层。
    Light curry (Epoxy resin group) is standard. In the case of stainless steel body, nopainting is standard.


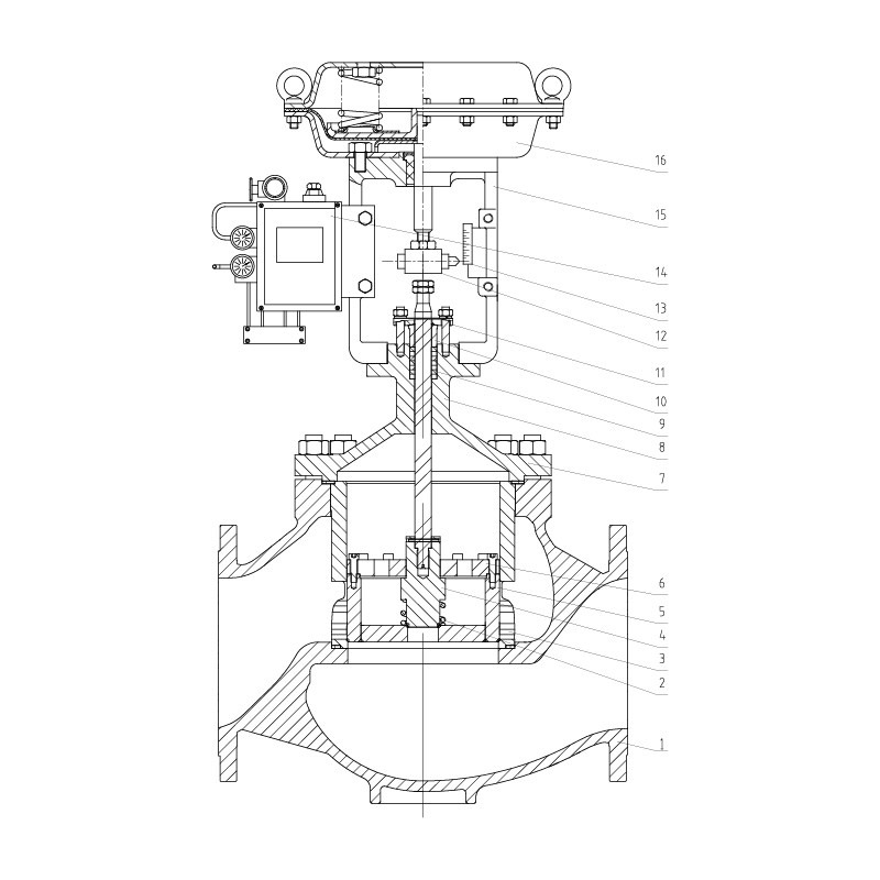
  • 结构型式

    下载 (4).png

  • 主要性能指标

    CV值及额定行程 CV value and  rated stroke高容量阀芯;高精度流量特性阀芯
    High capacity plug ; High accuracy flow characteristic plug
     
    流量特性
    Flow
    characteristics
    金属阀座
    Metal seat ring
    高容量
    high
    capacity
    等百分比特性(%)和线性特性(L)
    Equal percentage character(%) and linear character (L)
    软阀座
    Soft seat ring
    金属阀座
    Metal seat ring
    高精度
    high
    accuracy
    等百分比特性(%)和线性特性(L)
    Equal percentage character(%)and linear character (L)
    软阀座
    Soft seat ring
    可调范围
    Adjustable range
    50:1
    泄漏等级
    Leakage level
    硬密封(hard sealing):标准(standard)Class IV,特需(special)Class V软密封(soft sealing): Class VI
    基本误差
    Fundamenta l error
    标准型:±1.5%(带定位器);伸长型:±2.5%(带定位器)
    回差
    Backlash
    标准型:±1.5%(带定位器);伸长型:±2.5%(带定位器)
    死区
    Dead zone
    标准型:±0.6%(带定位器);伸长型:±1%(带定位器)
    始终点偏差
    Start point
    deviation
    ±2%(带定位器)
    额定行程偏差
    Rated travel
    deviation
    ±2%(带定位器)


相关产品

品质阀门,守护流体安全每一刻