SAFE,Surpassing Quality!

安全,超越品质!

以国际 IEC60534 中的

V级泄漏等级为我们的出厂要求

  • 工业法兰三片式球阀
  • 工业法兰三片式球阀

工业法兰三片式球阀

三片式球阀连接方式非常多样化,内螺纹、工业厚壁管焊接、卫生管道薄壁管对焊(可配合自动焊机提供加长自动焊)、卫生管道快装、卫生管道卫生法兰,国标管道国标法兰等。

三片式球阀阀体采用的是精密真空蜡模铸造先进工艺,结构合理、造型美观。阀座采用弹性密封结构,密封可靠,启闭轻松。 阀杆采用有倒密封的下装式结构,阀腔异常升压时,阀杆不会被冲出。

三片式球阀阀体均可带国际标准ISO高平台和锁定装置,可配气动执行器,电动执行器,可加阀位所馈及机械定位器和智能定位器,可满足各种工艺自控所需。


获取报价
咨询客服

产品详情

流体掌控间,万佳德展非凡

  • 产品特点
  • 应用标准
  • 结构型式
  • 主要性能指标
  • 产品特点

    结构特点

    • 流体阻力小,其阻力系数与同长度的管段相等

    • 结构简单、体积小、重量轻

    • 紧密可靠,目前球阀的密封面材料广泛使用国产PTFE和进口PTFE、密封性好,在真空系统中也已广泛使用

    • 操作方便,开闭迅速,从全开到全关只要旋转90°

    • 维修方便,球阀结构简单,密封圈一般都是活动的,拆卸更换都比较方便

    • 在全开或全闭时,球体和阀座的密封面与介质隔离,介质通过时,不会引起阀门密封面的侵蚀

    • 密封特性:半包密封用在无特殊要求的艺使用,有特殊要的工艺还可提供全包的密封结构


  • 应用标准

    标准规范

    • 驱动方式:手动、带高平台可配驱动(气动、电动 )

    • 公称通径:DN15~DN100

    • 公称压力:1.6MPa,可以定制1.6MPa以上更高压力

    • 适用温度:国产PTFE  -10~100℃、进口PTFE  -10~150℃

    • 适用介质:气体、水、油

    • 可配驱动:手动 、气动、电动

    • 连接标准:机械部标准 JB/T 86-2015工业法兰 

    • 阀体材质:铸钢、CF8(304)、CF3(304L)、CF8M(316)、CF3M(316L)


  • 结构型式

    20210721042932101.jpg

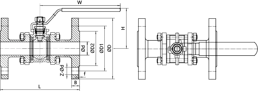
  • 主要性能指标


    规格dLHWDD1D2BfZ-Φd
    DNNPS
    151/2"1513058989565451424-Φ14
    203/4"201507212010575551424-Φ14
    251"251607314511585651424-Φ14
    321-1/4"3218092158135100781624-Φ18
    401-1/2"4020092166145110851634-Φ18
    502"502301091841601251001634-Φ18
    652-1/2"652901733501801451201834-Φ18
    803"803101823501951601352038-Φ18
    1004"1003502505502151801552038-Φ18

相关产品

品质阀门,守护流体安全每一刻