Product Details
Precision in Flow Control, Excellence from Zhongyuan
-
Product Features
-
Applicable Standards
-
Structural Configuration
-
Main Performance Parameters
-
Product Features
阀座和阀体密封
• 嵌入式阀体密封
• 确保阀门内外的密封性
• 独特的阀座轮廓设计
• 保证上下游密封效果
• 弹性阀座吸收压缩应力
• 阀座自动调节支撑设计优化操作扭矩
• 阀座凸沿设计
• 防止上游压力大于下游时阀座
• 产生轴向窜动
-
Applicable Standards
标准规范
• 驱动方式:电动执行器
• 公称通径:DN15~DN100
• 公称压力:1.6MPa,可以定制1.6MPa以上更高压力
• 适用温度:国产PTFE -10~100℃、进口PTFE -10~150℃
• 适用介质:气体、水、油
• 可选附件:C220V,380V DC24,开关型,开关调节型
• 连接方式:焊接、快装、法兰
• 阀体材质:铸钢、CF8(304)、CF3(304L)、CF8M(316)、CF3M(316L)
-
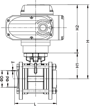
Structural Configuration

-
Main Performance Parameters
技术参数
• 法兰标准:国家标准GB、机械标准JB、化工标准HG、美标API、ANSI、德标DIN、日本JIS、JPI、英标BS生产
• 阀体材质:CF8(304)、CF3(304L)、CF8M(316)、CF3M(316L)等
• 工作压力:1.0Mpa-2.5Mpa
• 工作温度:-15℃-180℃
• 连接方式:内螺纹、外螺纹、工业法兰、卫生法兰、对焊、承插焊、快装、卡套
• 驱动方式:气动执行器、电动执行器、液动执行器
• 公称通径:DN8-DN100 ∮12.7-∮101.6
| 规格 | d | D | T | L | H | H1 | H2 |
| Φ12.7 | 9.7 | 12.7 | 1.5 | 73 | 170.5 | 42.5 | 128 |
| Φ19.05 | 16.05 | 19.05 | 1.5 | 73 | 170.5 | 40 | 128 |
| Φ25.4 | 22.4 | 25.4 | 1.5 | 86 | 175.5 | 47.5 | 128 |
| Φ31.8 | 28.8 | 31.8 | 1.5 | 93 | 185 | 59 | 128 |
| Φ38.1 | 35.1 | 38.1 | 1.5 | 111 | 194.5 | 64.5 | 132 |
| Φ50.8 | 47.8 | 50.8 | 1.5 | 146 | 237 | 77 | 158 |
| Φ63.5 | 59.5 | 63.5 | 2(1.5) | 152 | 245.5 | 85.5 | 158 |
| Φ76.2 | 72.2 | 76.2 | 2 | 186 | 257 | 102 | 158 |
| Φ88.9 | 84.9 | 88.9 | 2 | 216 | 325 | 110 | 215 |
| Φ101.6 | 97.6 | 101.6 | 2 | 266 | 345 | 129 | 215 |