SAFE,Surpassing Quality!

安全,超越品质!

以国际 IEC60534 中的

V级泄漏等级为我们的出厂要求

  • 三片式快装球阀
  • 三片式快装球阀

三片式快装球阀

三片式球阀连接方式非常多样化,内螺纹、工业厚壁管焊接、卫生管道薄壁管对焊(可配合自动焊机提供加长自动焊)、卫生管道快装、卫生管道卫生法兰,国标管道国标法兰等。

三片式球阀阀体采用的是精密真空蜡模铸造先进工艺,结构合理、造型美观。阀座采用弹性密封结构,密封可靠,启闭轻松。 阀杆采用有倒密封的下装式结构,阀腔异常升压时,阀杆不会被冲出。

三片式球阀阀体均可带国际标准ISO高平台和锁定装置,可配气动执行器,电动执行器,可加阀位所馈及机械定位器和智能定位器,可满足各种工艺自控所需。


获取报价
咨询客服
PDF下载

产品详情

流体掌控间,万佳德展非凡

  • 产品特点
  • 应用标准
  • 结构型式
  • 主要性能指标
  • 产品特点

    结构特点

    • 流体阻力小,其阻力系数与同长度的管段相等

    • 结构简单、体积小、重量轻

    • 紧密可靠,目前球阀的密封面材料广泛使用国产PTFE和进口PTFE、密封性好,在真空系统中也已广泛使用

    • 操作方便,开闭迅速,从全开到全关只要旋转90°

    • 维修方便,球阀结构简单,密封圈一般都是活动的,拆卸更换都比较方便

    • 在全开或全闭时,球体和阀座的密封面与介质隔离,介质通过时,不会引起阀门密封面的侵蚀

    • 密封特性:半包密封用在无特殊要求的艺使用,有特殊要的工艺还可提供全包的密封结构


  • 应用标准

    标准规范

    • 驱动方式:手动、带高平台可配驱动(气动、电动 )

    • 公称通径:DN10~DN100  ISO12.7~101.6

    • 公称压力:1.0MPa

    • 适用温度:国产PTFE  -10~100℃、进口PTFE  -10~150℃

    • 适用介质:气体、水、油

    • 可配驱动:手动 、气动、电动

    • 连接标准:快装

    • 阀体材质:CF8(304)、CF3(304L)、CF8M(316)、CF3M(316L)


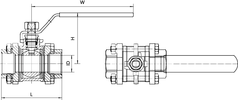
  • 结构型式

    20210718091303866.jpg

  • 主要性能指标


    规格配管外径dDLHW
    DN10Φ12.7×1.59.725.4/34924696
    DN15Φ19.05×1.516.0525.4/34/50.5975596
    DN20Φ23×1.52050.510866116
    DN22Φ25.4×1.522.450.511067116
    DN25Φ28×1.52550.511371148
    DN29Φ31.8×1.528.850.511777148
    DN32Φ34×1.53150.513286160
    DN35Φ38.1×1.535.150.513790160
    DN40Φ40×1.53750.514292160
    DN48Φ50.8×1.547.864157103182
    DN50Φ53×1.55064141103182
    DN59Φ63.5×2(1.5)59.5 (60.5)77.5178110182
    DN65Φ70×26591192136235
    DN72Φ76.2×272.291205142235
    DN80Φ85/89×281/85106217150235
    DN100Φ101.6×297.6119266165330


相关产品

品质阀门,守护流体安全每一刻